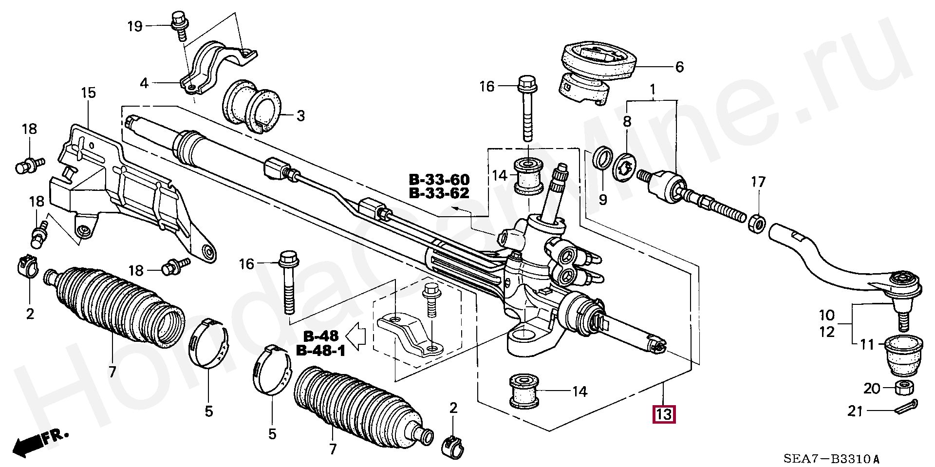
РУЛЕВАЯ РЕЙКА, 53601SEAG03
| Название по каталогу: | BOX COMP., POWER STEERING GEAR |
| Артикул: | 53601-SEA-G03 |
Цену и условия доставки уточняйте у наших менеджеров.
ЗАМЕНЫ
53601SEAG01, 53601SEAG02, 53601SEAG04, 53601SEAG05, 53601SEAG06, 53601SEAG07
ПРИМЕНЯЕМОСТЬ ПО КАТАЛОГУ
Запчасти Honda
Уважаемые клиенты! Для максимально корректного подбора аксессуаров рекомендуем вам позвонить нашим менеджерам, чтобы получить квалифицированную консультацию.
Телефон: +7(495)797-60-03
Случайные новости
28.06.2019
Honda Pilot 2019: новое и старое27.06.2015
Honda Ridgeline - за год до обновления09.10.2016
Десятое поколение Honda Civic: оправданные ожиданияВсе новости

