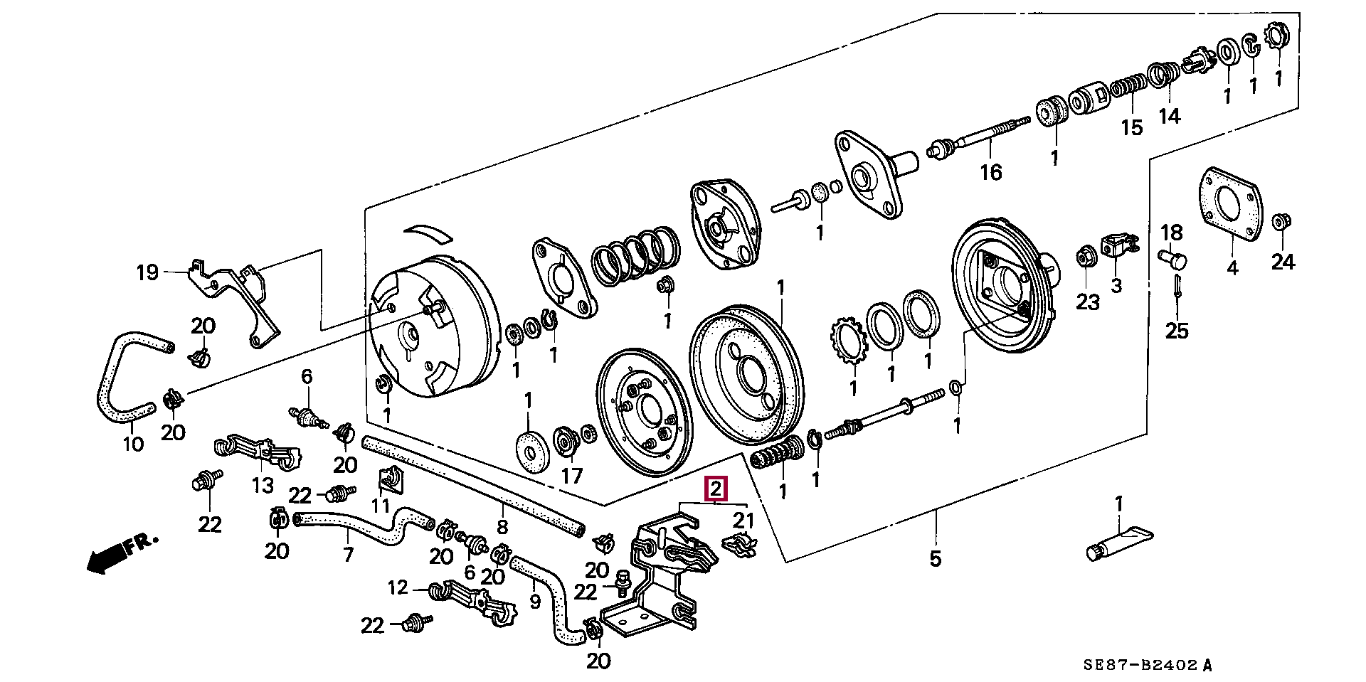
CLAMP, HOSE WIRE, 17932SE0A31
| Артикул: | 17932-SE0-A31 |
Цену и условия доставки уточняйте у наших менеджеров.
ПРИМЕНЯЕМОСТЬ ПО КАТАЛОГУ
Запчасти Honda
Уважаемые клиенты! Для максимально корректного подбора аксессуаров рекомендуем вам позвонить нашим менеджерам, чтобы получить квалифицированную консультацию.
Телефон: +7(495)797-60-03
Случайные новости
06.11.2018
Honda Element: трансформер наяву28.01.2014
Honda CR-V - сравнение четырех поколений04.07.2014
Салон Honda Civic - эффектный образец безопасностиВсе новости

