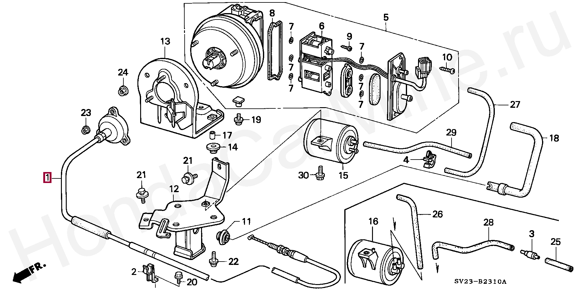
WIRE, ACTUATOR, 17880P0AA01
| Артикул: | 17880-P0A-A01 |
Цену и условия доставки уточняйте у наших менеджеров.
ПРИМЕНЯЕМОСТЬ ПО КАТАЛОГУ
Запчасти Honda
Уважаемые клиенты! Для максимально корректного подбора аксессуаров рекомендуем вам позвонить нашим менеджерам, чтобы получить квалифицированную консультацию.
Телефон: +7(495)797-60-03
Случайные новости
24.08.2013
Девятое поколение Хонда Аккорд - спортивный бизнесмен11.02.2019
Honda Legend 2019 модельного года06.02.2015
Honda Crosstour - мастер комфортаВсе новости

