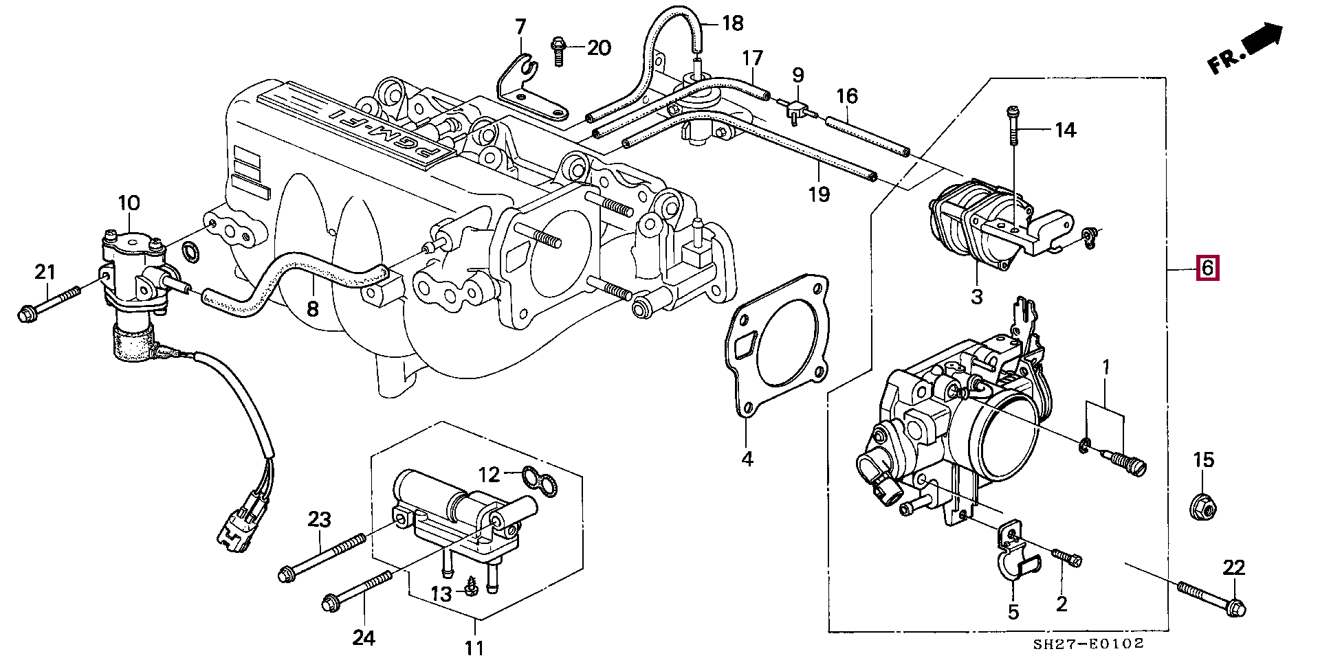
THROTTLE BODY ASSY. (GF52A) (KEIHIN), 16400PP4G00
| Артикул: | 16400-PP4-G00 |
Цену и условия доставки уточняйте у наших менеджеров.
ПРИМЕНЯЕМОСТЬ ПО КАТАЛОГУ
Запчасти Honda
Уважаемые клиенты! Для максимально корректного подбора аксессуаров рекомендуем вам позвонить нашим менеджерам, чтобы получить квалифицированную консультацию.
Телефон: +7(495)797-60-03
Случайные новости
16.11.2017
Honda Civic: дрейфуя в сторону бизнес-класса09.09.2015
Honda Civic 4D: работа над ошибками19.04.2016
Обновлённый кроссовер Honda CR-V с мотором 2.0 л. уже в российских салонахВсе новости

