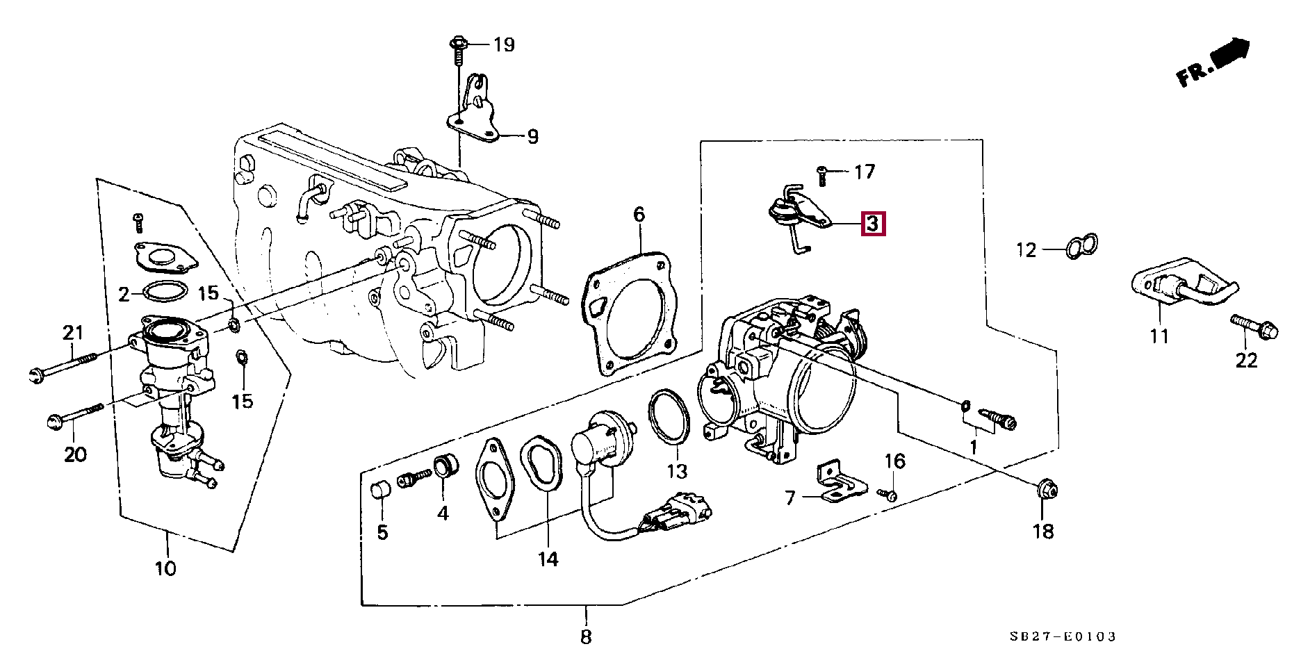
DIAPHRAGM ASSY., DASHPOT, 16111PG7661
| Артикул: | 16111-PG7-661 |
Цену и условия доставки уточняйте у наших менеджеров.
ПРИМЕНЯЕМОСТЬ ПО КАТАЛОГУ
Запчасти Honda
Уважаемые клиенты! Для максимально корректного подбора аксессуаров рекомендуем вам позвонить нашим менеджерам, чтобы получить квалифицированную консультацию.
Телефон: +7(495)797-60-03
Случайные новости
27.08.2016
Седаны Honda Accord - особенности эксплуатации17.11.2015
Третье поколение Honda Pilot для российского рынка27.07.2017
Гибридный Honda Accord 2017 модельного годаВсе новости

