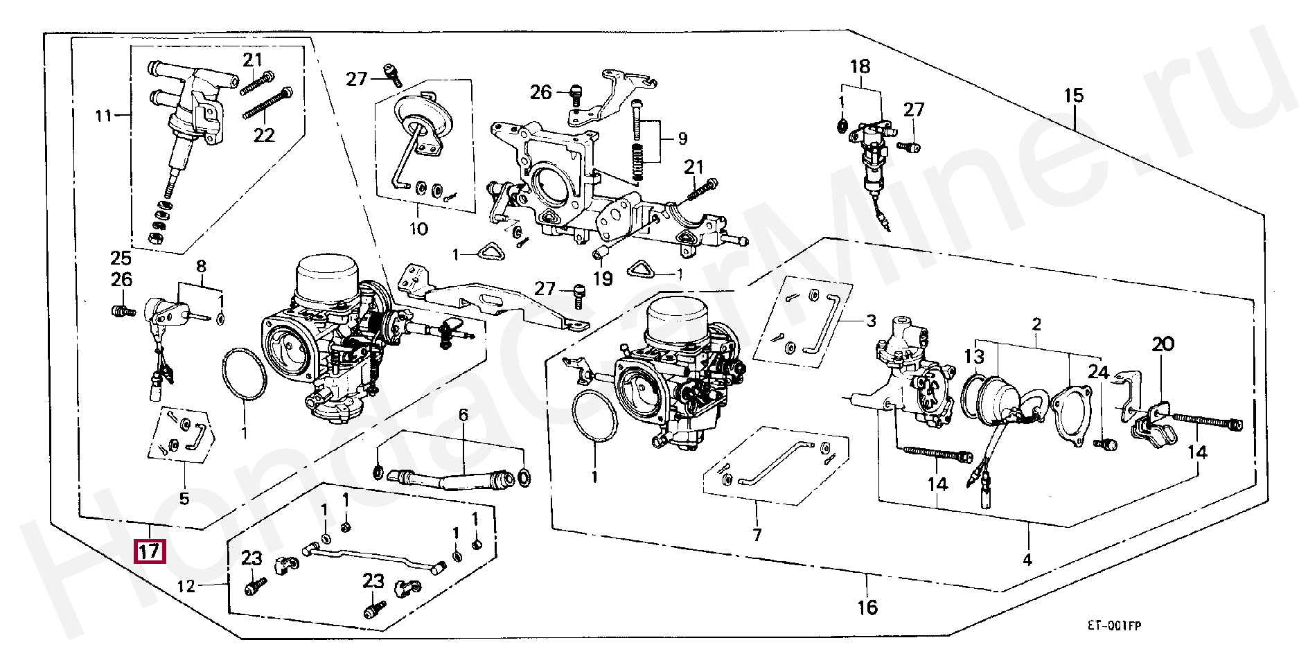
CARBURETOR ASSY., L. (VF51A C), 16102PC7643
Артикул: | 16102-PC7-643 |
Цену и условия доставки уточняйте у наших менеджеров.
ПРИМЕНЯЕМОСТЬ ПО КАТАЛОГУ
Запчасти Honda
Уважаемые клиенты! Для максимально корректного подбора аксессуаров рекомендуем вам позвонить нашим менеджерам, чтобы получить квалифицированную консультацию.
Телефон: +7(495)797-60-03
Случайные новости
21.06.2013
Обзор Honda Accord 201309.07.2018

22.10.2019

Все новости
