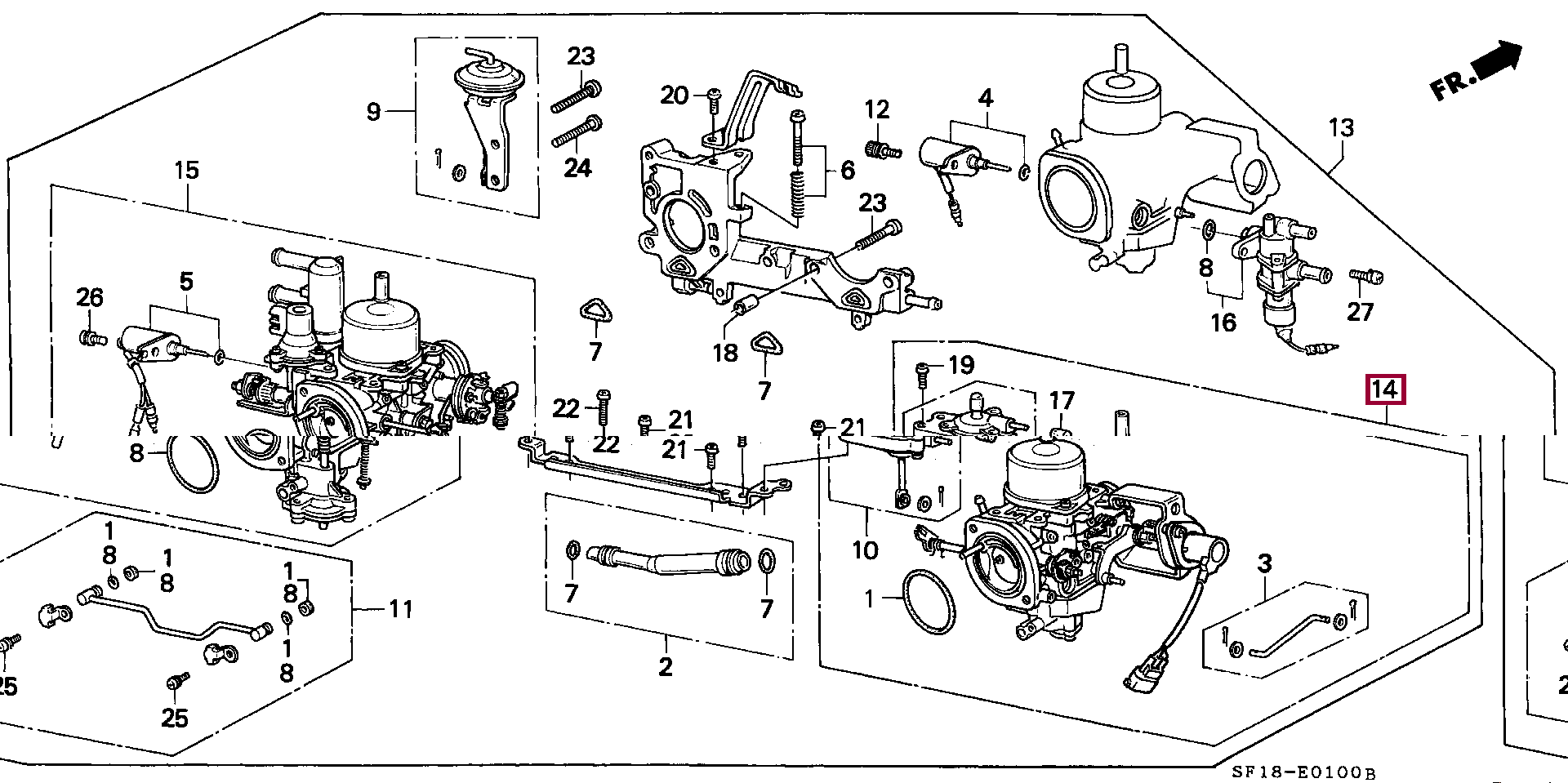
CARBURETOR ASSY., R. (VF19A A), 16101PK1651
| Артикул: | 16101-PK1-651 |
Цену и условия доставки уточняйте у наших менеджеров.
ПРИМЕНЯЕМОСТЬ ПО КАТАЛОГУ
Товары, которые могут вас заинтересовать:
Запчасти Honda
Уважаемые клиенты! Для максимально корректного подбора аксессуаров рекомендуем вам позвонить нашим менеджерам, чтобы получить квалифицированную консультацию.
Телефон: +7(495)797-60-03
Случайные новости
30.09.2019
Honda Element: хобби-кар для всех 09.09.2013
Honda Civic Tourer - каким будет серийный универсал10.08.2013
Honda Crosstour Excutive+Navi - большой и мягкийВсе новости

