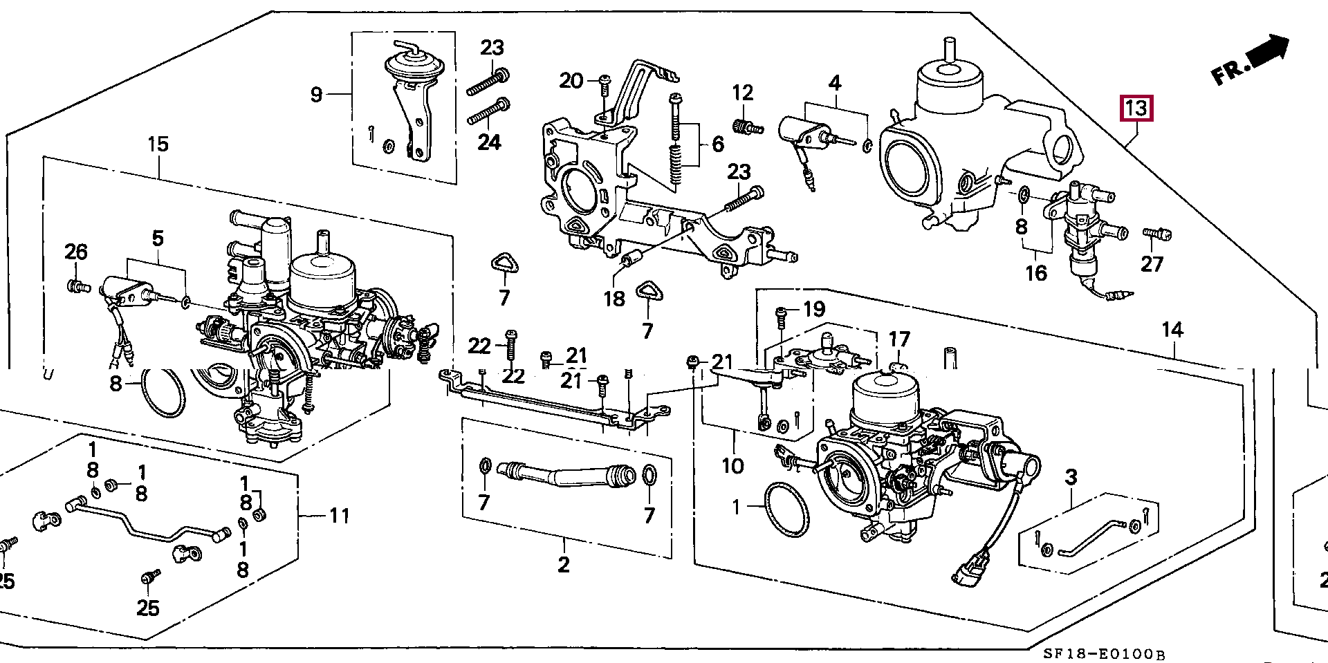
CARBURETOR ASSY. (VF20B A), 16100PK1772
| Артикул: | 16100-PK1-772 |
Цену и условия доставки уточняйте у наших менеджеров.
ПРИМЕНЯЕМОСТЬ ПО КАТАЛОГУ
Товары, которые могут вас заинтересовать:
Запчасти Honda
Уважаемые клиенты! Для максимально корректного подбора аксессуаров рекомендуем вам позвонить нашим менеджерам, чтобы получить квалифицированную консультацию.
Телефон: +7(495)797-60-03
Случайные новости
04.06.2018
Honda Civic: десятое поколение04.07.2014
Салон Honda Civic - эффектный образец безопасности14.07.2017
Пятое поколение Honda CR-V официально представили в РоссииВсе новости

