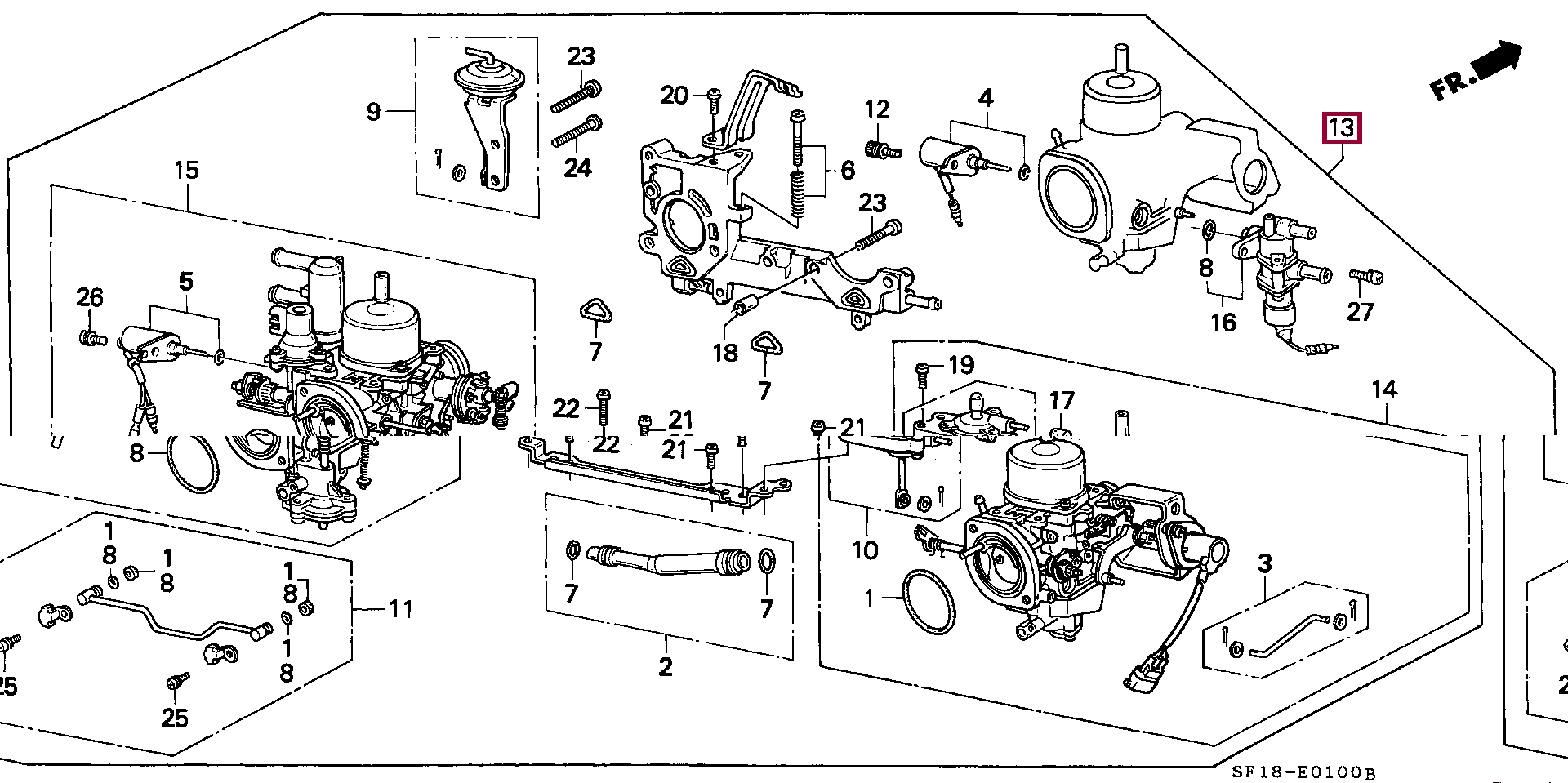
CARBURETOR ASSY. (VF19A A), 16100PK1651
| Артикул: | 16100-PK1-651 |
Цену и условия доставки уточняйте у наших менеджеров.
ПРИМЕНЯЕМОСТЬ ПО КАТАЛОГУ
Запчасти Honda
Уважаемые клиенты! Для максимально корректного подбора аксессуаров рекомендуем вам позвонить нашим менеджерам, чтобы получить квалифицированную консультацию.
Телефон: +7(495)797-60-03
Случайные новости
19.10.2017
Седан Honda Civic 2017: непохожий на седан20.03.2017
Honda Pilot: японский американец на русских дорогах04.07.2014
Салон Honda Civic - эффектный образец безопасностиВсе новости

