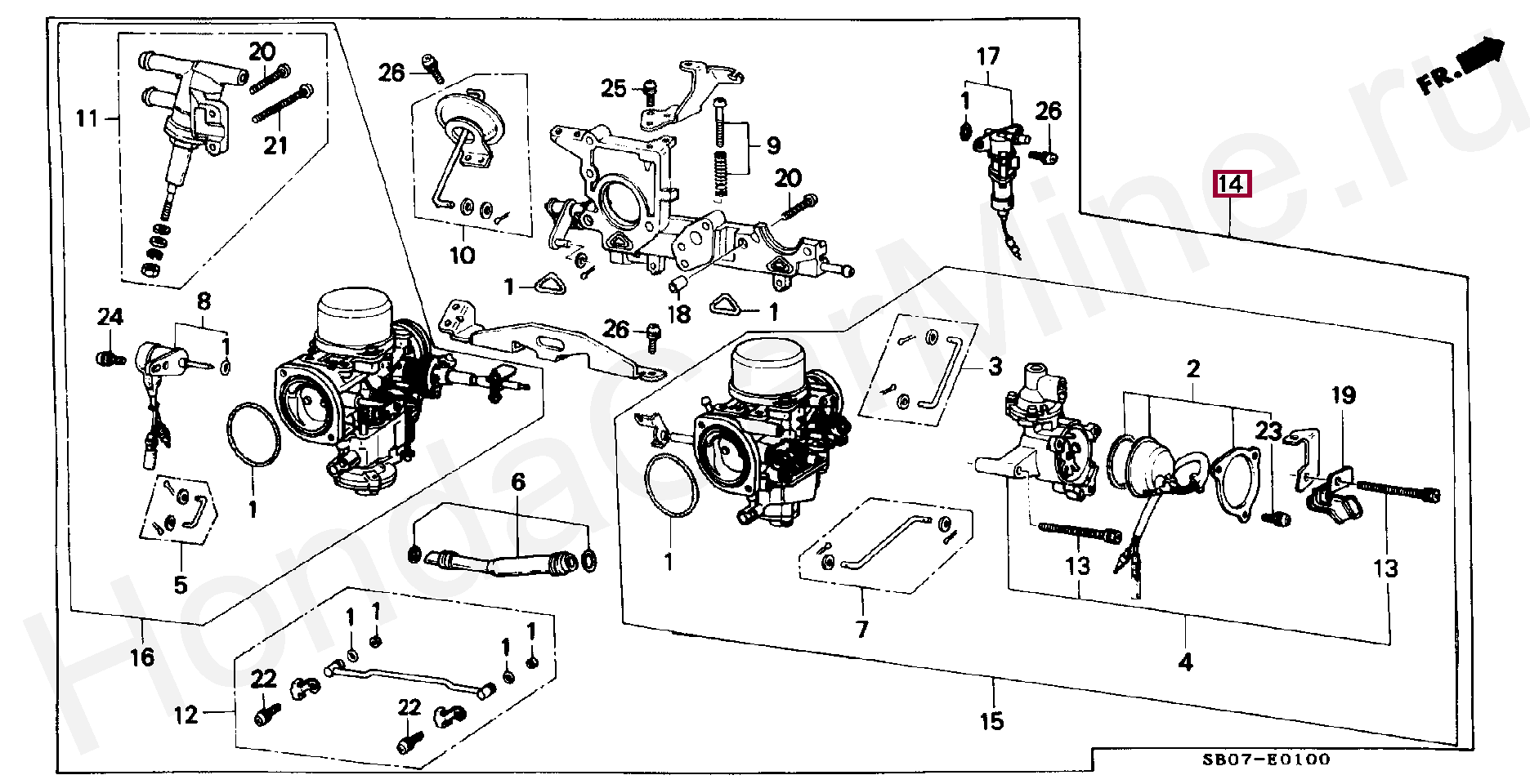
CARBURETOR ASSY. (VF52B C), 16100PC7773
| Артикул: | 16100-PC7-773 |
Цену и условия доставки уточняйте у наших менеджеров.
ПРИМЕНЯЕМОСТЬ ПО КАТАЛОГУ
Запчасти Honda
Уважаемые клиенты! Для максимально корректного подбора аксессуаров рекомендуем вам позвонить нашим менеджерам, чтобы получить квалифицированную консультацию.
Телефон: +7(495)797-60-03
Случайные новости
01.10.2015
Премьеры Honda на Франкфуртском автосалоне 2015 года09.01.2015
Honda Jazz: генератор позитива15.03.2017
Honda Civic X седан: канадский вариант Все новости

