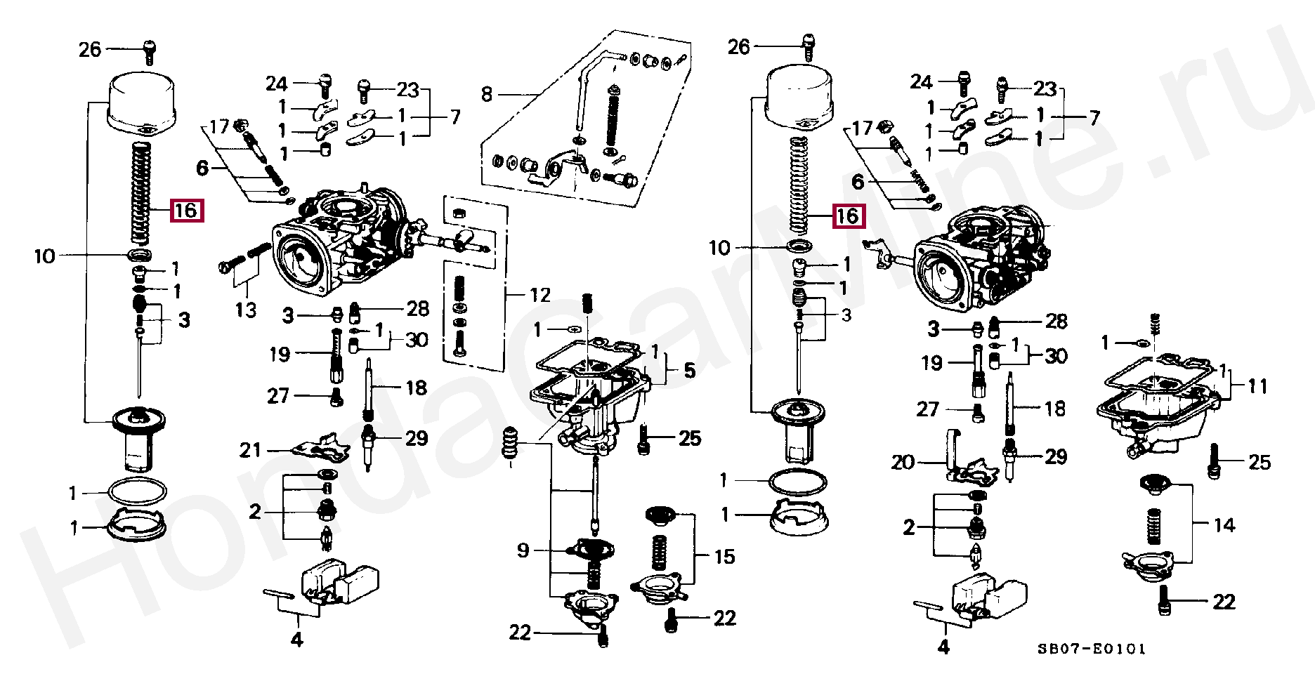
SPRING, VACUUM PISTON, 16050PC7601
| Артикул: | 16050-PC7-601 |
Цену и условия доставки уточняйте у наших менеджеров.
ПРИМЕНЯЕМОСТЬ ПО КАТАЛОГУ
Запчасти Honda
Уважаемые клиенты! Для максимально корректного подбора аксессуаров рекомендуем вам позвонить нашим менеджерам, чтобы получить квалифицированную консультацию.
Телефон: +7(495)797-60-03
Случайные новости
30.08.2014
Honda Jazz - потомственый горожанин08.06.2013
Обзор рестайлинговой версии Honda Crosstour 201309.09.2013
Honda Civic Tourer - каким будет серийный универсалВсе новости

