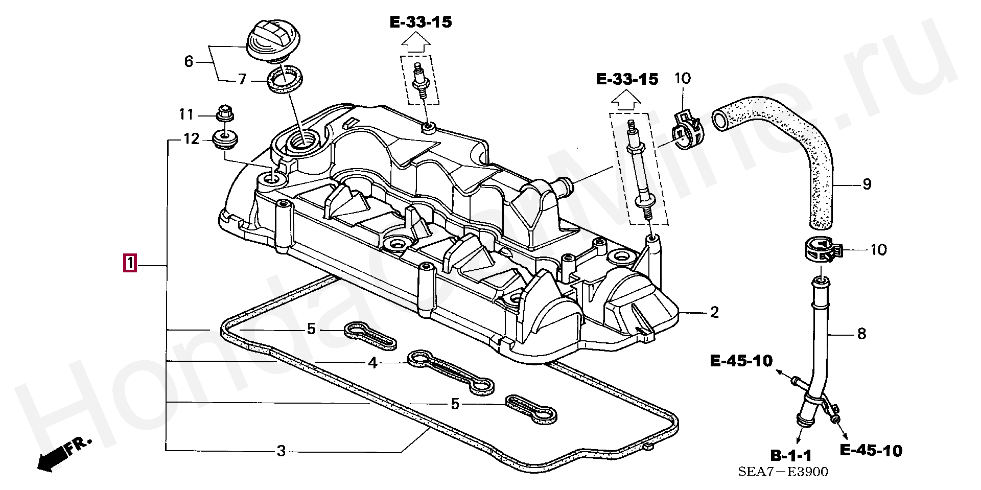
PACKING SET, HEAD COVER, 12030RMAE00
| Артикул: | 12030-RMA-E00 |
Цену и условия доставки уточняйте у наших менеджеров.
ПРИМЕНЯЕМОСТЬ ПО КАТАЛОГУ
Товары, которые могут вас заинтересовать:
Запчасти Honda
Уважаемые клиенты! Для максимально корректного подбора аксессуаров рекомендуем вам позвонить нашим менеджерам, чтобы получить квалифицированную консультацию.
Телефон: +7(495)797-60-03
Случайные новости
11.09.2018
Седан Honda Civic: спокойный азарт24.08.2013
Девятое поколение Хонда Аккорд - спортивный бизнесмен27.07.2017
Гибридный Honda Accord 2017 модельного годаВсе новости

