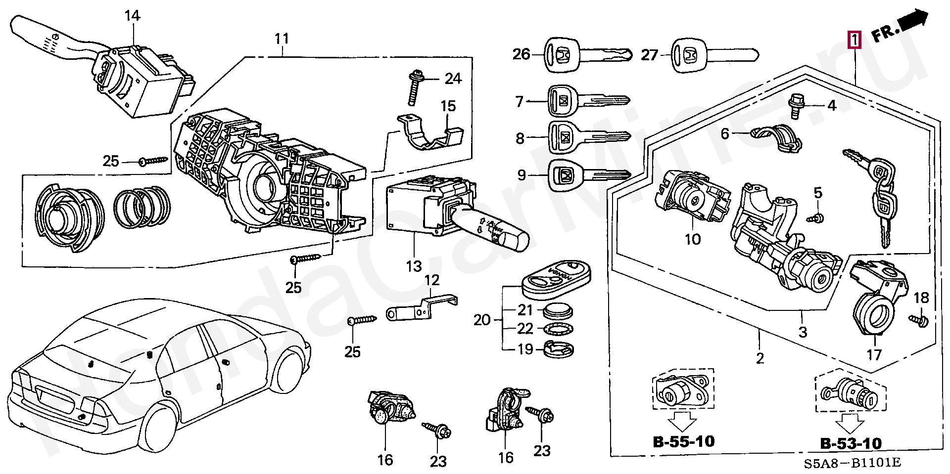
CYLINDER SET, KEY (###), 06350S5AQ01
| Артикул: | 06350-S5A-Q01 |
Цену и условия доставки уточняйте у наших менеджеров.
ПРИМЕНЯЕМОСТЬ ПО КАТАЛОГУ
Запчасти Honda
Уважаемые клиенты! Для максимально корректного подбора аксессуаров рекомендуем вам позвонить нашим менеджерам, чтобы получить квалифицированную консультацию.
Телефон: +7(495)797-60-03
Случайные новости
23.11.2017
Honda Accord: бизнес против спорта14.07.2017
Пятое поколение Honda CR-V официально представили в России11.02.2019
Honda Legend 2019 модельного годаВсе новости

